
| 二位三通常闭气路图: | ![]() |


| 二位三通常闭气路图: | ![]() |


| 二位三通常开气路图: | ![]() |


| 二位三通常闭气路图: | ![]() |


| 二位三通常开气路图: | ![]() |

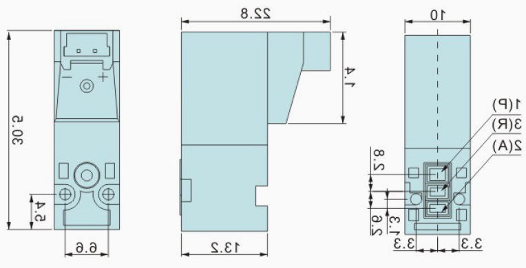
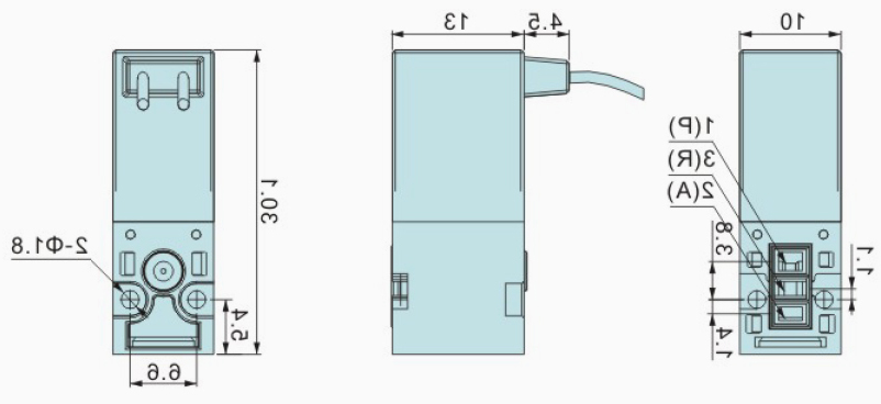
综合参数:
| 气动参数 | |||
| 阀位机能 | 二位二通、二位三通、常闭(NC)或常开(NO) | 工作压力 | 0-6bar (NO)、0~7bar (NC)、-100kpa(NC、 NO两种机能) |
| 工作方式 | 截止式 | 介质及环境温度 | -5°C~50°C (但未冻结) |
| 安装方式 | 自由 | 工作介质 | 经过滤的压缩空气(过滤精度等级符合IS08573-15.4.4)或惰性气体 |
| 通径 | 0.6mm、0.8mm 、1.0mm (大流量,二通型) | 响应时间 | 打开<6ms、关闭< 8ms |
| 公称流量 | 14L/min(0.4W,6bar时) , 18L/min(0.75W,6bar时) | 手动装置 | 按钮式手动开关或按钮并锁止式手动开关 |
| 与介质接触的材料 | |
| 阀体 | 工程塑料 |
| 密封件 | FKM (氟橡胶)、NBR(丁腈橡胶) |
| 内部零件 | 不锈钢、铜 |
| 电气参数 | |
| 电压 | DC12V, DC24V, AC110V, AC220V(可按要求提供其他电压) |
| 电压允差 | ±10% |
| 消耗功率 | 0.4W、0.75W(大流量型)、1W特殊功率(可定制) |
| 工作循环 | 100%可连续工作 |
| 电气连接 | 插座或直接引出线 |
| 防护等级 | IP50、IP65(直线出线型) |
372系列型号表示方法(直接出线带插头的型号表示方法参照371型) :
注:楼盘为"空缺”项时,主动省略,如上解释成: 372-C4ZPA-L
| 符号 | 内容 |
| ① | 372系列 |
| ② 机能 | C:常闭(NC) O:常开(NO) |
| ③ 电压 | 4: DC24V 2: DC12V 3: AC110V 5: AC220V |
| ④ 插座连接方式 | Z: 90°直角型 S: 180°水平型 X:直接出线型 |
| ⑤ 线路板型式 | P:带双向指示灯 G:带灯带保护电路 空白:不带电路板 J:带节能模块(只限DC12V DC24V) |
| ⑥ 配线长度 | 空白:不配线 A:线长125mm B:线长300mm C:特殊要求 |
| ⑦ 插头型式 | 空白:不配插头 1: A1 2: A2 3: A3 4: A4 5: A5 6: A6 7: A7 8: A8 9:A9 |
| ⑧ 排气型式 | 空白:二孔自排 F:三孔阀板排气 |
| ⑨ 线圈功率 | 空白:0.75W L:0.4W H:1W T:特殊功率 |
| ⑩ 强制锁止按钮 | 空白:无 Q:有 |